避雷器智能计数器

避雷器智能计数器采用精密铸铝及不锈钢外壳,增加了避雷器在线监测装置外壳的机械强度和密封性能,避雷器在线监测装置内安装了避雷器全电流和谐波法阻性电流模拟测试电路,单片机A/D 转换系统,利用避雷器泄漏电流充电,将避雷器的泄漏电流、阻性电流、容性电流、放电次数和放电时间,通过无线或有线通信方式远传到避雷器在线监测主机。各功能指标满足JB/T10492和Q/GDW12082规定的要求。

概述

避雷器智能计数器与避雷器串接于电网中运行,以记录避雷器放电动作的次数和实时在线监测避雷器漏电流的变化情况。根据漏电流的变化情况,可及时判断避雷器运行过程中因内部受潮或机械缺损等造成的异常情况,防止事故的发生提高电力系统运行的可靠性。

产品介绍

避雷器智能计数器采用精密铸铝及不锈钢外壳,增加了避雷器在线监测装置外壳的机械强度和密封性能,避雷器在线监测装置内安装了避雷器全电流和谐波法阳性电流模拟测试电路,单片机A/D 转换系统,利用避雷器泄漏电流充电和无线通信模块,将避雷器的泄漏电流、阻性电流、容性电流、放电次数和放电时间,无线或有线通信方式远传到避雷器在线监测主机。各功能指标满足JB/T10492和Q/GDW12082规定的要求。

技术参数

项目 ZCQ-D1 ZCQ-D2
标称放电电流 (kA) 10 20
避雷器的电压等级 (kv) 220及以下 500 ~ 750
标称放电电流下残压 (kv) ≤ 1.0 ≤ 1.0
2ms 方波耐受能力 (A) 1200 2500
4/10us 大电流耐受能力 (kA) 100 100
最小动作电流 (8/20us) (A) 30 30
毫安表满量程 (mA 有效值) 3 5
计数范围(可循环计数) 0~999 0~999
持续运行电压下端电压 (V) < 15 < 15
通讯方式 RS485有线通信或Lora无线通信可选
数据远传 全电流、阻性电流
放电次数、放电时间阻容比
全电流、阻性电流
放电次数、放电时间阻容比

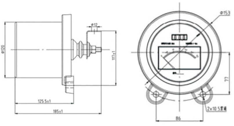
安装尺寸

验收与安装

●  产品检验方法
计数器动作性能与毫安表检验: 用摇表或其它直流电源向一个 10uf 电容器充电至 300-600V,然后向计数器两端放电,计数器应可靠动作、毫安表指针应摆动,则监测器合格。用数字万用表,置二极管档,两表笔接监测器两端毫安表应指示几百微安。

●  产品安装
避雷器智能计数器面板所在平面与水平面之间的倾角应小于 85°,以免积水影响观测。用螺钉将金属外壳底座固定在金属支架上,并通过接地母线接地(监测器底座也可作为接地母线),另一端通过绝缘子顶部接出,用导线(或铝排 >连接到避雷器的低压端。务须安装牢固、接触可靠。

相关产品